You cannot select more than 25 topics
Topics must start with a letter or number, can include dashes ('-') and can be up to 35 characters long.
|
|
7 months ago | |
|---|---|---|
| opamp-basics.iapresenter | 7 months ago | |
| Readme.md | 7 months ago | |
| block-scheme.jpg | 7 months ago | |
| non-inverter.jpg | 7 months ago | |
| non-inverting.cir | 7 months ago | |
Readme.md
Introduction
One of the most important stages during circuit design is simulation. Several circuit simulators are available to carry out the task, but SPICE-based simulators are the most versatile and powerful.
SPICE stands for Simulation Program with Integrated Circuit Emphasis. It is a general-purpose, open-source analog electronic circuit simulator originally developed at the University of California, Berkeley, in the 1970s. SPICE is now the foundation for almost all modern circuit simulators (like LTspice, PSpice, HSPICE, Ngspice, etc.).
The basic PCG Scheme
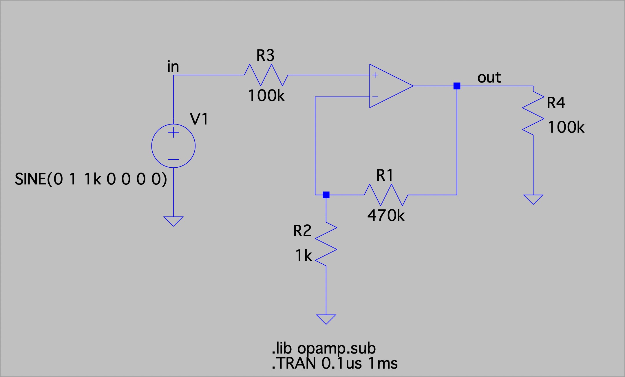
Non-inverting amplifier
Design equations
The Operational amplifier design is based on:
- No feedback
Simulation with UI
Simulation with code
* Non-inverting amplifier with UniversalOpamp2
Vin in 0 SINE(0 1 1k)
R3 in vp 100k
R1 vn out 470k
R2 vn 0 1k
R4 out 0 100k
* Library (comes with LTspice) and instance
.include opamp.sub
XU1 vp vn out opamp Aol=100k GBW=10Meg
.tran 0 1m 0 0.1u
.end
Version 4
SymbolType CELL
LINE Normal -32 32 32 64
LINE Normal -32 96 32 64
LINE Normal -32 32 -32 96
LINE Normal -28 48 -20 48
LINE Normal -28 80 -20 80
LINE Normal -24 84 -24 76
WINDOW 0 0 32 Left 2
SYMATTR Prefix X
SYMATTR Description Ideal single-pole operational amplifier. You must .lib opamp.sub
SYMATTR Value opamp
SYMATTR SpiceLine Aol=100K
SYMATTR SpiceLine2 GBW=10Meg
PIN -32 48 NONE 0
PINATTR PinName invin
PINATTR SpiceOrder 1
PIN -32 80 NONE 0
PINATTR PinName noninvin
PINATTR SpiceOrder 2
PIN 32 64 NONE 0
PINATTR PinName out
PINATTR SpiceOrder 3

